明确磁体的采购需求主要分为两大部分,一是对磁体的基本要求,二是对项目交期的要求。我们首先来说对磁体的基本要求。
磁体的基本要求
当我们想要清楚地说明一个磁体的采购需求时,有以下几个大的关键点需要明确:性能要求、形状尺寸、充磁方向以及表面处理要求,求购方最好能提供磁体的图纸。下面我们以钕铁硼永磁体为例为大家详细说明。
1.性能要求:
即磁体的牌号要求。磁材行业供应商众多,每家公司对于同一牌号的定义和性能区间不完全相同,在沟通牌号时,建议供需双方明确相应牌号的剩磁Br和内禀矫顽力Hcj,这样不容易产生偏差。
除此之外,根据磁体的工作环境等因素,还可以进一步明确剩磁和矫顽力温度系数等指标。
如果对磁通等指标有明确要求的,应约定检测设备与检测方式作为判定标准。
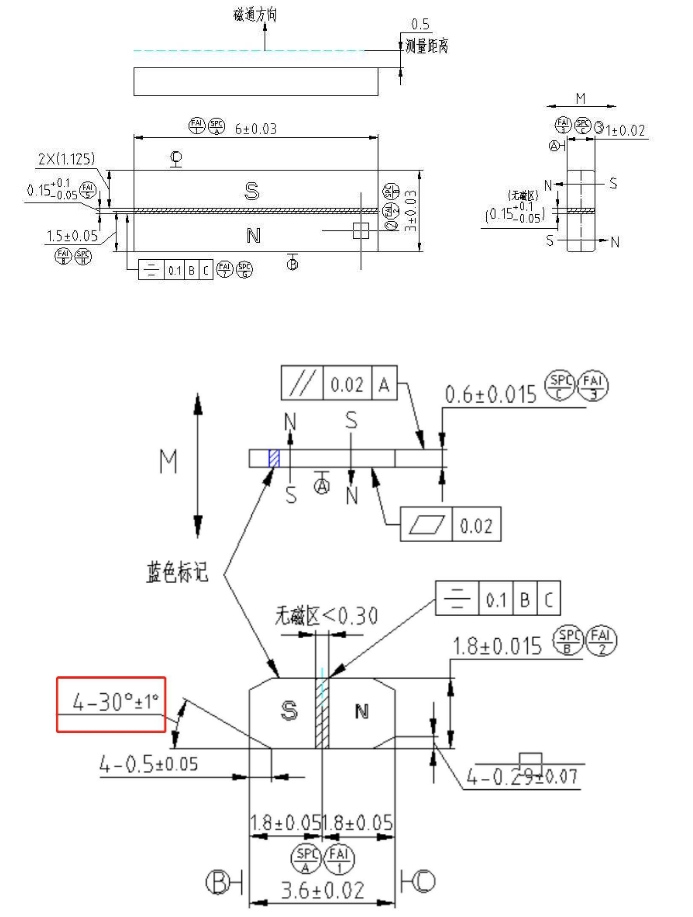
2.形状尺寸及充磁方向:
描述采购需求时,磁体的基本形状和尺寸要求是必须明确的,例如6.0mm(+0.03/-0.03),对于简单产品而言提供基本的长宽高尺寸及公差;对于形状复杂的磁体而言,轮廓度及其他角度要求(类似于下图中的红色标注30°±1°)需要提供的更为清楚,建议给供应商提供明确的图纸。
此外,磁体还需要标注产品的取向方向(NS极)和充磁方式(单极充or多极充),以及充磁角度等。

3.表面处理要求
需要采购方明确磁体的表面处理方式,包括涂覆方式(电镀、化学镀、电泳、气相沉积等)、涂覆材料(锌、镍、铜、铝、环氧树脂等),以及涂层厚度。
对盐雾或其他试验有要求的,需约定检测条件的设定及放置时间和试验后的判断基准。

4.其他要求
如:外观要求、其他检测要求(如老化试验等)、包装要求、运输要求等等

产品交期
大部分供应商都有磁体毛坯库存,对于通用的性能都有一定的储备量,磁体的形状大致决定了该产品的交期长短。定制产品一般都需要专用的模具,如果厂家没有合适尺寸的模具,那么就会有一个模具制作的时间,产品交期会有一定的延长。总体工期可以压缩但并一定能完全按照采购方的理想时间交付,对于交期紧急的产品一定要提前下单哦。
China
English




